
產品類別:三次元振動篩
產品簡介:該機為直徑400mm兩層三出口的小型振動篩,子母網分離式網架,與物料接觸部分為304不銹鋼,底座為碳鋼材質,外部噴塑處理。適合各種粉料和漿液小批量的生產使用,該機體積小方便移動。
全國統一銷售熱線
免費獲取報價
該機為直徑400mm兩層三出口的小型振動篩,子母網分離式網架,與物料接觸部分為304不銹鋼,底座為碳鋼材質,外部噴塑處理。適合各種粉料和漿液小批量的生產使用,該機體積小方便移動。



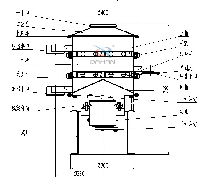
400mm兩層振動篩結構圖:
小型振動篩產品展示:
400mm振動篩技術參數:
400mm振動篩的工作原理:
振動篩由直立式振動電機作為激振源,電機上、下兩端安裝有偏心重錘,將電機的旋轉運動轉變為水平、垂直、傾斜的三次元運動,再把這個運動傳遞給篩面進行篩分。調節上、下兩端的相位角,可以改變物料在篩面上的運動軌跡。
振動篩電機調整示意圖:
400mm振動篩的特點:
☆ 效率高、設計精巧耐用,任何粉類、粘液均可篩分。
☆ 換網容易、操作簡單、清洗方便。
☆ 網孔不堵塞、粉末不飛揚、可篩至400目或0.028mm。
☆ 雜質、粗料自動排出,可以連續作業。
振動篩使用的行業:
化工行業:樹脂、涂料、工業藥品、化妝品、油漆、中藥粉等。
食品行業:糖粉、淀粉、食鹽、米粉、奶粉、豆漿、蛋粉、醬油、果汁等。
金屬、冶金礦業:鋁粉、鉛粉、銅粉、礦石、合金粉、焊條粉末、二氧化錳、電解銅粉、電磁性材料、研磨粉、耐火材料、高嶺土、石灰、氧化鋁、重質碳酸鈣、石英砂等。
公害處理:廢油、廢水、染整廢水、助劑、活性碳等。